Software: CAD - Tutorial - Bauteil - Masztoleranzen
Allgemeintoleranzen nach DIN ISO 2768
Hinweis: Im Oktober 2022 wurde DIN EN ISO 22081 für allgemeine geometrische und Größenmaßspezifikationen eingeführt. DIN ISO 2768-1 (Längen- und Winkelmaße) gilt weiterhin. DIN ISO 2768-2 (Form und Lage) ist offiziell zurückgezogen. Als Ersatz für Teil 2 wurde die rein nationale Norm DIN 2769 ergänzt. Da das Normensystem in Inventor kaum integriert ist und die Angaben als reiner Text vom Nutzer hinterlegt werden, betreffen die konkreten Details der Anpassungen diese Übung zum Umgang mit dem CAD-System nur indirekt. Vorerst verwenden wir deshalb noch die einfachere, alte Darstellung. Um rechtssicher auf die alte Norm zu verweisen, müssten die Angaben im Textfeld eigentlich die Jahreszahl der Norm enthalten (ISO 2768-2:1989), auch darauf verzichten wir hier zwecks Übersichtlichkeit.
Unsere Zeichnung muss noch mit weiteren "Anmerkungen" versehen werden. Das betrifft z.B. die Information zur zulässigen Abweichung nach DIN ISO 2768 - mK:
- Die vollständige Angabe zur Allgemeintoleranz kann als Notiztext auf dem Zeichnungsblatt direkt über die entsprechende Zelle des Schriftfeldes geschrieben werden (ohne Bearbeiten des Schriftfeldes!):
- Kleinbuchstabe = Toleranzklasse für Grenzabmaße: f (fein) / m (mittel) / c (grob)
- Großbuchstabe = Toleranzklasse für Form- und Lageabweichung: H (High) / K (Mittel) / L (Low)
Uns interessieren zuerst nur die Nennmaß-abhängigen Grenzabmaße der Allgemeintoleranzen:
- Die Toleranztabellen nach DIN ISO 2768-1 definieren für alle nicht anderweitig tolerierten Maße des Bauteils einen symmetrischen Toleranzbereich von ±Abmaß um den jeweiligen Nennwert.
- Durch diese Textangabe wissen die Bearbeiter in der Fertigung, welche Maß-Genauigkeit für nicht anderweitig spezifizierte Maße einzuhalten ist.
Wichtig: Beim Eintrag der Allgemeintoleranzen in das Schriftfeld der Zeichnung handelt es sich beim Autodesk Inventor leider um eine reine Text-Anmerkung, welche keinerlei Auswirkung auf die Toleranzwerte der Modellparameter besitzt:
- Die aus dieser Angabe resultierenden Toleranzwerte sind nicht für modellbasierte Toleranzrechnungen nutzbar.
- Haben diese Toleranzwerte Auswirkungen auf Montage-relevante Schlussmaße oder Funktions-relevante Kenngrößen und möchte man diese Auswirkungen modellbasiert analysieren, so muss man diese Toleranzen zusätzlich im Modell definieren. Hierbei besteht jedoch die Gefahr, dass nachträgliche Nennmaß-Änderungen bei den Allgemeintoleranzen zu geänderten Abmaßen führen. Deshalb sollte man solche "speziellen" Toleranzen in der Zeichnung dann ebenfalls als Bestandteil der Bemaßung darstellen.
Frei tolerierte Maße
Eigentlich sollte man frei tolerierte Maße vermeiden, da für die Qualitätsprüfung keine fertigen Lehren-Sätze existieren:
- Aus funktionellen Gründen kann man Freitoleranzen verwenden, wenn die Toleranz-Anforderungen z.B. an ein Schlussmaß nur durch überhöhte Genauigkeitsklassen mit Allgemeintoleranzen bzw. ISO-Toleranzen erfüllbar sind.
- Eine modellbasierte Toleranzanalyse verläuft immer entlang einer Toleranzkette. Für alle Maß-Parameter entlang der Maßkette müssen Toleranzwerte existieren. Dies ist beim aktuellen Stand der Technik (z.B. Autodesk Inventor) nur mit manuell eingetragenen Freitoleranzen möglich.
Am Beispiel der Abstand-Toleranz der Querbohrungsachse zur Bolzen-Stirnfläche soll der Ersatz der Allgemeintoleranz mit einer gleichwertigen Freitoleranz durchgeführt werden:
- Aus den Toleranztabellen nach DIN ISO 2768-1 resultieren entsprechend der Toleranzklasse m für das Maß 20 symetrischen Grenzabmaße von ±0,2.
- Wir suchen in der Parameterliste des Modells den zugehörigen Modellparameter und weisen ihm dieses symmetrische Abmaß zu.
- Den automatisch vergebenen Namen "dxy" benennen wir z.B. in "h_Querbohrung" um. Das soll uns daran erinnern, dass diesem Parameter bereits Toleranz-Werte zugewiesen wurden.
- In der Zeichnung sollte anschließend automatisch die Toleranz für das abgerufene Modellmaß 20 erscheinen. Ist dies trotz "Aktualisieren" nicht der Fall, sollte man dieses Modellmaß in der Zeichnung löschen und erneut abrufen! Die Anzahl der Nachkommastellen und -nullen für das Abmaß wird durch die Stil-Vorlage der Zeichnung festgelegt:
- Wir nutzen wieder den Stil- und Normen-Editor (in der MFL unter der Registerkarte Verwalten in der Gruppe Stile und Normen) um die verwendete "Norm" in Hinblick auf die Toleranz-Darstellung anzupassen:
- Die Einstellungen für die Darstellung der nachgestellten Nullen gelten für alle unterstützten Toleranz-Methoden.
- Warnung → NIEMALS andere Möglichkeiten für die Genauigkeitsdarstellung in der Zeichnung nutzen, weil damit die Verbindung zwischen den Toleranzen der Modell-Parameter und den angezeigten Toleranzen in der Zeichnungsansicht zerstört wird (unterschiedliche Toleranzwerte in Modell und Zeichnung sind dann möglich!). Danach hilft nur ein Löschen dieses Maßes in der Zeichnungsansicht und ein erneutes Abrufen des Modellmaßes.
- Über das Maß-Kontextmenü kann man direkt in der Zeichnung mittels "Modellbemaßung bearbeiten ..." sowohl den Nennwert, als auch die zugeordneten Toleranzwerte des Modellparameters ändern. Wir werfen nur einen Blick auf diese Möglichkeit:
- Warnung: Doppelklick auf das Maß führt NICHT zu "Modellbemaßung bearbeiten", sondern zum Bearbeiten des in der Zeichnungsansicht generierten Maßes. Um eine Zerstörung der Verbindung zur Modell-Toleranz zu vermeiden, sollten man die Bearbeitung sofort abbrechen:
ISO-Toleranzen nach DIN ISO 286
Allgemein-Toleranzen nach DIN ISO 2768 sind meist ausreichend für die grundsätzliche Realisierung der Geometrie eines Bauteils. Wenn es jedoch um die Wechselwirkung eines Bauteils mit seiner Umgebung geht (z.B. mit anderen Bauteilen), dann reicht diese relativ grobe, symmetrische Tolerierung nicht mehr aus zur Realisierung der erforderlichen Koppelstellen (In Hinblick auf die Geometrie auch "Passungen" genannt):
- Durch Verwendung entsprechender Frei-Toleranzen könnte man prinzipiell zwar den Forderungen der Passungen genügen, aber man hätte Probleme bei der Fertigungskontrolle infolge der individuellen Toleranzfelder (Fehlen geeigneter Prüflehren).
- Deshalb hat man mit den ISO-Toleranzen nach DIN ISO 286 ein System zur Optimierung der Fertigungskontrolle geschaffen, indem eine Begrenzung auf eine endliche, aber hinreichende Anzahl unterschiedlicher Toleranzfelder erfolgt:
Toleranzklasse = Beschreibung der Lage u. Größe (Qualität) des Toleranzfeldes (mittels Buchstabe und Zahl):
- Lage: bezieht sich auf Null-Linie, an der das gemeinsame Nennmaß der Passung endet
- Großbuchstabe: Innenmaß (z.B. Bohrung)
- Kleinbuchstabe: Außenmaß (z.B. Welle)
- H bzw. h liegt direkt an Null-Linie der Passung
- Größe: Toleranzfeldbreite steigt mit Zahlenwert (1=schmal / 16=breit)
- ist unabhängig von der Toleranzfeld-Lage
- ist abhängig vom Nennwert
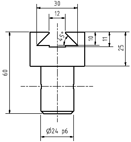
Der runde Schaft des Führungsbolzens soll mittels einer leichten Presspassung in die Bohrung einer Gestell-Platine eingepresst werden:
- Die Toleranzfelder von Schaft ("Welle") und "Bohrung" müssen so gestaltet werden, dass das Größtmaß der Bohrung in jedem Fall kleiner ist als das Kleinstmaß des Schaftdurchmessers.
- Damit das Fügen mit einem geringen Einpresskraft erfolgen kann, darf die Überlappung der Toleranzfelder nie zu groß werden.
- Wir verwenden das hierfür übliche Passungssystem "Einheitsbohrung", d.h. die Bohrung muss ein H-Toleranzfeld erhalten.
- Auf Grundlage vorhandener Empfehlungen kann man für eine leichte Presspassung z.B. die Toleranzfeld-Kombination [math]\displaystyle{ d^{H7}_{p6} }[/math] verwenden.
- Von dieser Passung erhält jedes der gepaarten Bauteile nur das zu ihm gehörende Toleranzfeld, der Schaftdurchmesser 24 also die ISO-Toleranz p6:
- Entsprechend der gewählten ISO-Toleranz p6 erhält das Modell-Maß als Ergänzung zum Nennwert die zugehörigen Toleranz-Abmaße (+35µm / +22µm).
- Die ISO-Toleranz wird in der Zeichnungsansicht automatisch ergänzt:









